Автомобили КАМАЗ
Спецтехника
Наши поставки
Лизинг
Заказать
Новости
Техническая информация
Серийные автомобили КАМАЗ
Рестайлинговые автомобили КАМАЗ
Обновлённый ряд моделей КАМАЗ
Новое поколение автомобилей КАМАЗ
Каталог запчастей КАМАЗ
Надстройки на шасси
Фургоны спец назначения
Главная
О компании
Контакты
Карта сайта
Главная
О компании
Техническая информация
Контакты
Карта сайта
Грузовые автомобили запчасти сервис Бишкек Кыргызстан
Официальный дилер ПАО «КАМАЗ»
Камэкспорт
Булат
Бишкек
+996 (555) 986886
Набережные Челны
+7 917 392 78 46
Продажа автомобилей КАМАЗ, спецтехники, прицепной и полуприцепной техники по доступным ценам в Кыргызстане и Средней Азии
animateMainmenucolor
Главная
|
Автомобили КАМАЗ
|
Спецтехника
|
Наши поставки
|
Сервисный центр
|
Лизинг
|
Заказать
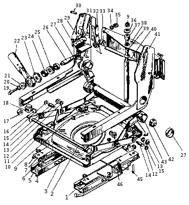
Механизм подрессирования
Каталог запчастей КАМАЗ
>
Группа 68. Сиденья
> Механизм подрессирования
Поз.
Наименование
Код
-
Механизм перемещения правый в сборе
5320-6804110
1
Механизм перемещения левый в сборе
5320-6804111
2
Шарнир подвески передний в сборе
5320-6804560
3
Основание подвески в сборе
5320-6804540
4
Ролик
5320-6804125
-
Вкладыш ролика
5320-6804127
5
Направляющая нижняя в сборе
5320-6804138
6
Шарик 5
864736
7
Направляющая верхняя в сборе
5320-6804134
-
Стопор механизма перемещения в сборе
5320-6804140
-
Ручка привода стопора в сборе
5320-6804157
-
Ось стопора
5320-6804159
-
Пружина стопора
5320-6804161
-
Гайка М6-6Н
251644
8
Гайка М10х1,25
1/21647/11
9
Гайка М10х1,25-6Н
251646
10
Шайба пружинная 8
1/05166/77
11
Гайка М8-6Н
1/61008/11
12
Прокладка
5320-6804568
13
Втулка оси
5320-6804617
14
Ось соединения шарниров
5320-6804614
15
Шайба стопорная 9х18,5х1,1
1/10880/76
16
Сухарь буфера
5320-6804533
17
Ролик шарнира
5320-6804569-10
18
Буфер ролика
5320-6804530
19
Болт М8-6qх20
1/60434/21
20
Шайба пружинная 8
1/05166/21
21
Подкладка ручки
5320-6804751
22
Ручка регулировки торсиона в сборе
5320-6804756
-
Ручка в сборе
5320-6804656
-
Собачка
5320-6804659
-
Пружина
5320-6804755
-
Упор пружины ручки
5320-6804743
-
Проставка
5320-6804753
-
Штифт 3х28
1/03329/10
-
Облицовка
5320-6804657
23
Звездочка винта
5320-6804749
24
Прокладка
5320-6804681
25
Подшипник
864767 (108903)
26
Винт торсиона
5320-6804665
27
Окантовка трубы торсиона
5320-6804592
28
Вилка торсиона
5320-6804625
29
Пружина регулировочная
5320-6804327
30
Заклепка 6х14
1/04315/00
-
Кронштейн спинки правый
5320-6804312
-
Кронштейн спинки левый
5320-6804313
31
Ограничитель винта
5320-6804741
32
Шплинт 3,7х25
1/07969/01
33
Втулка скользящая
5320-6804683
34
Шайба пружинная 8
1/05166/77
35
Шайба глухая
1/61096/11
36
Шайба специальная
5320-6804675
37
Буфер наружный амортизатора
5320-6804653
38
Поперечина крепления амортизатора
5320-6804643
39
Буфер внутренний амортизатора
5320-6804655
40
Амортизатор однотрубный в сборе
5320-6804672
-
Боковина подвески правая в сборе
5320-6804510
41
Боковина подвески левая в сборе
5320-6804511
42
Держатель торсиона
5320-6804627
43
Торсион
5320-6804623
44
Шарнир задний в сборе
5320-6804570
45
Винт М8-6qх25
1/32796/01
46
Стяжка механизма перемещения
5320-6804163
КАМЭКСПОРТ
Дилер ПАО "КАМАЗ"
Лизинг
Контакты
О компании
Новости
Заказать
Продажа автомобилей КАМАЗ
Продажа самосвалов КАМАЗ
Продажа бортовых тягачей КАМАЗ
Продажа шасси КАМАЗ
Продажа седельных тягачей КАМАЗ
Наши поставки
Спецтехника
Прицепы и полуприцепы «Автомастер»
Углевозы
Фургоны специального назначения
Надстройка на шасси
Спецтехника КАМАЗ
Автокраны
Автотопливозаправщики
Автобетоносмесители
Автобетононасосы
Техническая информация
Руководство по эксплуатации автомобилей КАМАЗ
Характеристики двигателей КАМАЗ
Каталог запчастей КАМАЗ
Двигатели CUMMINS (КАММИНЗ)
2016 - 2025 © «Камэкспорт»
+ 996 (555) 986886
Бишкек
Грузовые автомобили запчасти сервис Бишкек Кыргызстан
Создание сайта
Вебцентр
Панель администратора
★
Заказать автоспецтехнику