Автомобили КАМАЗ
Спецтехника
Наши поставки
Лизинг
Заказать
Новости
Техническая информация
Серийные автомобили КАМАЗ
Рестайлинговые автомобили КАМАЗ
Обновлённый ряд моделей КАМАЗ
Новое поколение автомобилей КАМАЗ
Каталог запчастей КАМАЗ
Надстройки на шасси
Фургоны спец назначения
Главная
О компании
Контакты
Карта сайта
Главная
О компании
Техническая информация
Контакты
Карта сайта
Грузовые автомобили запчасти сервис Бишкек Кыргызстан
Официальный дилер ПАО «КАМАЗ»
Камэкспорт
Булат
Бишкек
+996 (555) 986886
Набережные Челны
+7 917 392 78 46
Продажа автомобилей КАМАЗ, спецтехники, прицепной и полуприцепной техники по доступным ценам в Кыргызстане и Средней Азии
animateMainmenucolor
Главная
|
Автомобили КАМАЗ
|
Спецтехника
|
Наши поставки
|
Сервисный центр
|
Лизинг
|
Заказать
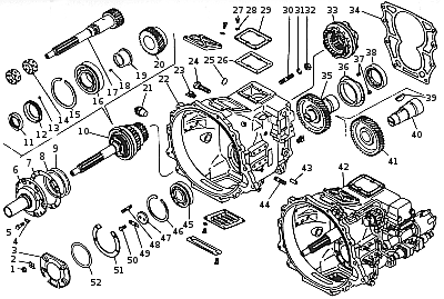
Делитель передач с управлением в сборе 15.1770010
Каталог запчастей КАМАЗ
>
Группа 17. Коробка передач
> Делитель передач с управлением в сборе 15.1770010
Поз.
Наименование
Код
1
Гайка М12х1,25-6Н
1/61015/11
2
Шайба замковая 12,3
870856
3
Крышка
15.1770244
4
Шайба замковая 10,2
870851
5
Болт М10х1,25-6qх30
1/13069/21
6
Крышка в сборе
14.1701039
7
Прокладка
14.1701042
8
Прокладка регулировочная (по потребности)
14.1701035
9
Прокладка регулировочная (по потребности)
14.1701036
10
Вал первичный в сборе
15.1770040
11
Гайка специальная М52х2-Л-6Н
870512
12
Кольцо маслонагнетающее
15.1770092
13
Штифт 4х12
870767
14
(664913Е)"
"15.1770064-01
15
Кольцо установочное
14.1701034
16
(170314Л)"
"15.1770084-01
17
Вал первичный
15.1770044
18
Шпонка призматическая 6х8х13
870801
19
Втулка
15.1770086
20
Шестерня в сборе
15.1770050
21
Пробка сливная с магнитом в сборе
14.1701306
22
Картер делителя передач с втулками в сборе
15.1770030
-
Картер
15.1770032
23
Масленка
870840
24
Рым-болт
14.1701350
25
Заглушка 28
1/01592/06
26
Прокладка
15.1770038
27
Болт М8-6qх16
1/60432/21
28
Шайба пружинная 8
1/05166/73
29
Крышка
15.1770036
30
Шпилька М16х1,5х22х45 картера
1/18006/31
31
Шайба пружинная 16
1/05172/77
32
Гайка М16х1,5-6Н
1/21641/21
33
Синхронизатор в сборе
15.1770160
-
Каретка синхронизатора
15.1770174
-
Кольцо фрикционное
15.1770176
-
Палец блокирующий
15.1770178
-
Палец фиксирующий
15.1770182
-
Пружина
14.1701170
-
Шарик
864711
34
Прокладка картера
15.1770034
35
Вал промежуточный в сборе
15.1770210
36
Гнездо заднего подшипника
15.1770256
37
Винт М6-6qх16
1/33013/01
38
(292213К1М)"
"15.17700254
39
Шпонка сегментная 10х17х55
870823
40
Вал промежуточный
15.1770214
41
Шестерня
15.1770216
42
Делитель передач с управлением в сборе
15.1770010
43
Штифт 12х35
1/04830/11
44
Шпилька М16х1,5х22х35
1/18004/21
45
Подшипник
15.1770234-01
46
Кольцо установочное
15.1770236
47
Шайба упорная
15.1770238
48
Шпилька М12х1,25х18х30
1/35301/21
49
Планка стопорная
15.1770239
50
Болт М12х1,25-6qх30
1/55404/33
51
Прокладка
15.1770248
52
Кольцо уплотнительное
15.1770246
КАМЭКСПОРТ
Дилер ПАО "КАМАЗ"
Лизинг
Контакты
О компании
Новости
Заказать
Продажа автомобилей КАМАЗ
Продажа самосвалов КАМАЗ
Продажа бортовых тягачей КАМАЗ
Продажа шасси КАМАЗ
Продажа седельных тягачей КАМАЗ
Наши поставки
Спецтехника
Прицепы и полуприцепы «Автомастер»
Углевозы
Фургоны специального назначения
Надстройка на шасси
Спецтехника КАМАЗ
Автокраны
Автотопливозаправщики
Автобетоносмесители
Автобетононасосы
Техническая информация
Руководство по эксплуатации автомобилей КАМАЗ
Характеристики двигателей КАМАЗ
Каталог запчастей КАМАЗ
Двигатели CUMMINS (КАММИНЗ)
2016 - 2025 © «Камэкспорт»
+ 996 (555) 986886
Бишкек
Грузовые автомобили запчасти сервис Бишкек Кыргызстан
Создание сайта
Вебцентр
Панель администратора
★
Заказать автоспецтехнику